ВАЗ-2120 ряд изменений в конструкцию

Re: ВАЗ-2120 ряд изменений в конструкцию

Сообщение Delta » 29 авг 2018, 22:22

Спасибо за ответы!
Вроде теперь список переделок контретизировался...
Mikhail_Auto писал(а):нужно проводить испытания по Правилам ООН 42

Это будет отдельный документ? На каком этапе должны проводиться испытания и куда этот документ надо предоставлять? Если мы оставим только нижнюю часть с кронштейном лебедки и кронштейны бампера, испытания необходимы?
00.jpg
эскиз

Ещё уточните, пожалуйста, в каком случае должна оформляться замена сидений? Вместо штатных установлены сидения от БМВ (точно не знаю) без механизма раскладывания, с регулировкой по высоте на сварные кронштейны.
0.jpg
кронштейн

Сиденье установлено
00.jpg
сиденье

Как и в случае со штатными сидениями, фиксатор ремня безопасности крепится к раме сидения.
Delta
 
Сообщения: 14
Зарегистрирован: 10 июл 2018, 19:49

Re: ВАЗ-2120 ряд изменений в конструкцию

Сообщение Mikhail_Auto » 31 авг 2018, 13:15

Delta писал(а):Это будет отдельный документ? На каком этапе должны проводиться испытания и куда этот документ надо предоставлять? Если мы оставим только нижнюю часть с кронштейном лебедки и кронштейны бампера, испытания необходимы?

эскиз


Испытания нужно провести после оформления Заявления-Декларации сервиса. Документ о результатах испытания нужно будет предоставить нам для получения "Протокола проверки безопасности конструкции ТС с внесенными изменениями".
Можно оставить штатные кронштейны крепления бампера и установить кронштейн для крепления съемной лебедки, покрытый резиной или подобным материалом - тогда проводить испытания не требуется

Delta писал(а):Ещё уточните, пожалуйста, в каком случае должна оформляться замена сидений? Вместо штатных установлены сидения от БМВ (точно не знаю) без механизма раскладывания, с регулировкой по высоте на сварные кронштейны.

кронштейн

Сиденье установлено

сиденье


По определению термина "внесение изменений в конструкцию" нужно оформлять любую установку сидений, отличных от штатных. При установке сиденья через нештатный кронштейн нужно проверить выполнение требований к прочности крепления. Мы можем сделать расчет в программе 3D-моделирования, от Вас потребуется чертеж кронштейна. Документ будет как Приложение к "Заключению предварительной экспертизы", стоимость около 3000 руб.
Сиденье должно быть оборудовано трехточечным ремнем безопасности (ремень может быть встроен в спинку сиденья)
С уважением, Михаил
эксперт "УСЛУГИАВТО"
(495) 740-38-92
E-mail: 77@uslugiavto.ru
Mikhail_Auto
Услугиавто
 
Сообщения: 252
Зарегистрирован: 10 фев 2017, 13:56

Re: ВАЗ-2120 ряд изменений в конструкцию

Сообщение Пархоменко Юрий » 31 авг 2018, 21:58

Mikhail_Auto писал(а):
Delta писал(а):Это будет отдельный документ? На каком этапе должны проводиться испытания и куда этот документ надо предоставлять? Если мы оставим только нижнюю часть с кронштейном лебедки и кронштейны бампера, испытания необходимы?

эскиз


Испытания нужно провести после оформления Заявления-Декларации сервиса. Документ о результатах испытания нужно будет предоставить нам для получения "Протокола проверки безопасности конструкции ТС с внесенными изменениями".
Можно оставить штатные кронштейны крепления бампера и установить кронштейн для крепления съемной лебедки, покрытый резиной или подобным материалом - тогда проводить испытания не требуется


Внесу ясность относительно обязательности либо необязательности испытаний: внесение изменений в конструкцию осуществляется методом технической экспертизы, цитирую пункт 6 раздела II Определения:
""техническая экспертиза конструкции транспортного средства" - анализ конструкции транспортного средства и технической документации на него без проведения испытаний"
Проще говоря, то что можно оценить экспертным путем (расчеты, анализ документации) не требует проведения испытаний. То, что не получается оценить экспертным путем, например не хватает знаний, опыта эксперта, не достаточно данных от заявителя, соответственно надо испытывать! Но, поскольку автомобиль в единственном экземпляре его нельзя испытывать разрушающими методами! Говоря простым языком, необходимо искать альтернативные пути решения, например не изменять конструкцию данного компонента.
Аватара пользователя
Пархоменко Юрий
Услугиавто
 
Сообщения: 2413
Зарегистрирован: 20 апр 2009, 13:15
Откуда: Россия

Re: ВАЗ-2120 ряд изменений в конструкцию

Сообщение Delta » 11 сен 2018, 23:37

Кронштейны сидений есть "в металле"
00.jpg
кронштейн левого сидения

Крепление фиксатора ремня выполнено так
0.jpg
узел крепления фиксатора ремня

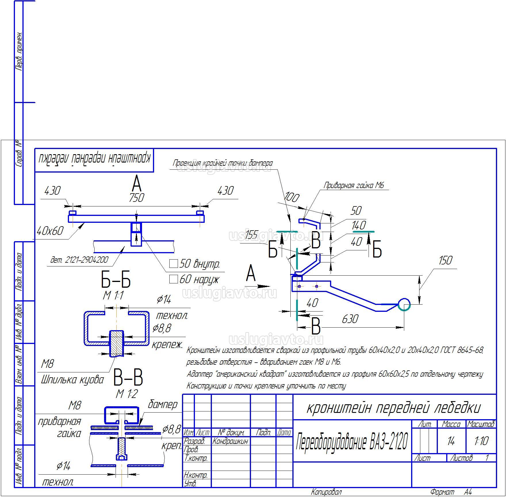
Постарался максимально подробно изобразить конструкцию, чертежи получились перегружены, но вроде понятно.
кронштейн левого сидения.jpg
чертеж левого кронштейна

кронштейн правого сидения.jpg
чертеж правого кронштейна

Завтра доделаю чертежи кронштейнов лебедок, все чертежи экспортирую в .DWG и отправлю Вам на почту вместе со списком изменений в конструкцию.
кронштейн передней лебедки.jpg
кронштейн передней лебедки
Delta
 
Сообщения: 14
Зарегистрирован: 10 июл 2018, 19:49

Re: ВАЗ-2120 ряд изменений в конструкцию

Сообщение Delta » 12 сен 2018, 00:07

Возникли ещё вопросы:
1. Какие светодиоды можно ставить в указатели поворота?
Продаются модули (эл. мощность 2 Вт)
"линейки" на 6 диодов
ещё есть
0.jpg
заводской модуль на 4 диода

и спаял свою плату в форме "стрелки"
000.jpg
плата указателя поворота

Потому что китайские "стрелки" в фонари не влезут.
Пробовал сфотографировать при напряжении питания 12,0 В но по фото плохо видно
00.jpg
сравнение с лампой

2.
Mikhail_Auto писал(а):... установить кронштейн для крепления съемной лебедки, покрытый резиной или подобным материалом - тогда проводить испытания не требуется...

Если кронштейн не будет выступать за крайнюю точку бампера, резиновая заглушка всё равно необходима?
Delta
 
Сообщения: 14
Зарегистрирован: 10 июл 2018, 19:49

Re: ВАЗ-2120 ряд изменений в конструкцию

Сообщение ГригорийФФ » 12 сен 2018, 03:20

Установка любых нештатных источников во внешние световые приборы ТС допустима только при условии проведения испытаний и получения положительного заключения аккредитованной испытательной лаборатории о соответствии фотометрических параметров светового прибора с нештатным источником требованиям профильных Правил ООН, цитирую Приложение 9 (Требования в отношении отдельных изменений, внесенных в конструкцию транспортного средства) к ТР ТС 018/2011
9.1. На устройства освещения и световой сигнализации, предназначенные для установки на транспортное средство, должно быть выдано сообщение об официальном утверждении по Правилам ЕЭК ООН, применяемым в отношении устройств освещения и световой сигнализации и источников света в них или заключение аккредитованной испытательной лаборатории о соответствии указанным Правилам ЕЭК ООН.
9.2. При необходимости замены предусмотренного конструкцией транспортного средства источника света на источник света того же класса с иными фотометрическими
характеристиками либо иного класса, такая замена может быть проведена только совместно со световым модулем, соответствующим заменяемому источнику света, либо фары в
сборе.

В общем по ситуации со светодиодами как альтернативным штатным лампам накаливания источникам см. профильную тему
viewtopic.php?f=13&t=5455

Там есть иллюстрация со стоп-сигналом с разными нештатными источниками и позиция экспертов международной рабочей группы по световым приборам.
Суть проблемы - объективная оценка (не "смотрел - вроде не хуже чем со штатным") соответствия светового прибора требованиям профильных (согласно типа светового прибора) Правил ООН возможна только при проведении испытаний с замером фотометрических параметров.
Требования Правил ООН эксплуатанта не касаются, пока он не берет на себя компетенцию производителя и не начинает вносить изменения в конструкцию ТС.
Модератор форума, консультант по техническим вопросам световых приборов ТС.
Окончательный ответ о возможности выдачи заключения дают только эксперты ИЛ УслугиАвто.
ГригорийФФ
Супермодератор
 
Сообщения: 1440
Зарегистрирован: 29 мар 2010, 15:12

Re: ВАЗ-2120 ряд изменений в конструкцию

Сообщение Delta » 12 сен 2018, 21:15

ГригорийФФ писал(а):... при условии проведения испытаний и получения положительного заключения аккредитованной испытательной лаборатории о соответствии фотометрических параметров светового прибора с нештатным источником требованиям профильных Правил ООН...

Ваша лаборатория этим занимается?
Delta
 
Сообщения: 14
Зарегистрирован: 10 июл 2018, 19:49

Re: ВАЗ-2120 ряд изменений в конструкцию

Сообщение VladimirVS » 13 сен 2018, 09:39

Вам необходимо получить Протокол испытаний в ИЛ, которая занимается испытаниями компонентов (Приложение №10 к ТР ТС 018/2011): п 44. Указатели поворота - соответствие Правилам ЕЭК ООН N 6-01.
На основании этого протокола испытаний мы выдадим Вам Заключение для ГИБДД.
С уважением, Владимир
эксперт "УСЛУГИАВТО"
(926) 554-95-55
E-mail: 77@uslugiavto.ru
Пример оформления переоборудования
Оформление одобрения типа ТС (ОТТС)
Аватара пользователя
VladimirVS
Услугиавто
 
Сообщения: 4183
Зарегистрирован: 24 апр 2009, 08:56

Re: ВАЗ-2120 ряд изменений в конструкцию

Сообщение Delta » 19 сен 2018, 21:31

Фото оптических элементов ОСВАР 62.3711 (62.3711200-10), каталожный номер ВАЗ 21011-3711205 со штатным патроном под лампу подсветки (габарита)
Вложения
0.jpg
Клеммы для подключения
00.jpg
общий вид
000.jpg
Маркировка
Delta
 
Сообщения: 14
Зарегистрирован: 10 июл 2018, 19:49

Re: ВАЗ-2120 ряд изменений в конструкцию

Сообщение ГригорийФФ » 20 сен 2018, 08:44

Утверждение типа световых модулей (внешних световых приборов ТС) действительно только при применении в нем штатных стандартных источников света, с которыми модуль (внешний световой прибор ТС) проходил процедуру утверждения типа
Модератор форума, консультант по техническим вопросам световых приборов ТС.
Окончательный ответ о возможности выдачи заключения дают только эксперты ИЛ УслугиАвто.
ГригорийФФ
Супермодератор
 
Сообщения: 1440
Зарегистрирован: 29 мар 2010, 15:12

Пред.След.

Вернуться в Внесение изменений в конструкцию легкового автомобиля (категория «В»)

Кто сейчас на конференции

Сейчас этот форум просматривают: нет зарегистрированных пользователей и гости: 14

cron